
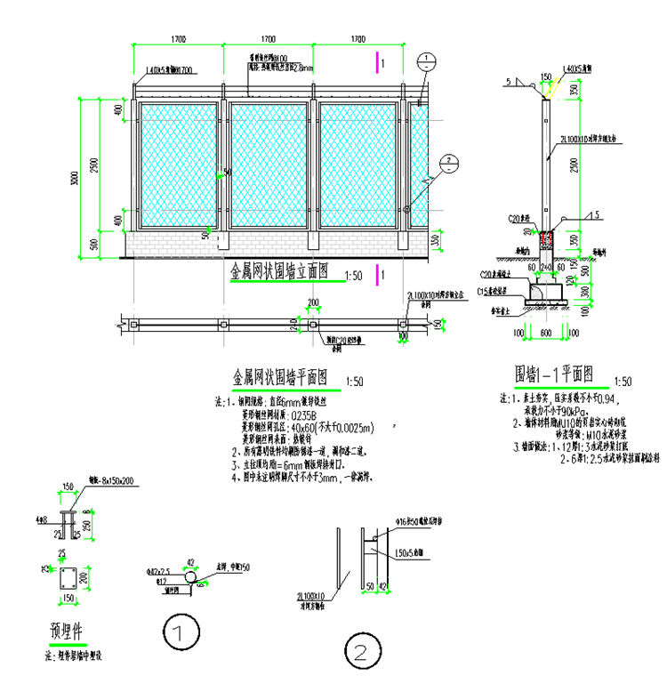
一、金属网状围墙围网详细参数
1、立柱,100*100*10mm方管;
2、边框,Φ42*2.5mm圆管;
3、网孔,40*60mm;
4、网丝,Φ6mm镀锌丝;
5、连接件,50*50*5mm角钢;
6、延伸臂,40*40*5mm角钢;
7、刺丝,Φ2.8*100mm;
8、中心距,17000mm;
9、安装高度,2500mm。
二、金属网状围墙围网安装基础
1、素土夯实,压实系数不小于0.94,承载力不小于90kPa。
2、墙体材料用MU10的页岩实心砖砌筑,砂浆等级:M10水泥砂浆。
3.墙面做法,12厚1:3水泥砂浆打底,6厚1:2.5水泥砂浆抹面刷涂料。