欢迎来到安平县秉德丝网制品有限公司网站!

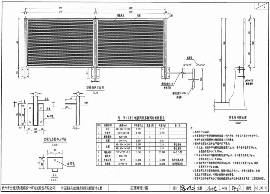
沪昆国家高速公路贵阳至安顺段扩容工程防落物网生产厂家
1.本图尺寸以mm计。
2.防落物网设于桥梁两侧混凝护栏外侧,方管立焊接于连接件上,连接件通过碰撞螺栓与钢筋混凝土护栏连接。
3.钢结构防腐技术条件应不低于以下要求:
立柱、斜撑平均镀锌层附着量275g/㎡,平均镀锌层厚度39μm ,涂塑层厚度不小于0.076mm;
紧固件、连接件单面平均镀锌层附着量120g/㎡,平均镀层厚度17μm,涂层厚度不小于0.076mm;
钢板网片平均镀锌层附着量120g/㎡,平均镀锌层厚度17um,涂塑层厚度不小于0.076mm。
4.防落物网应作防雷接地处理,接地电阻应小于10Ω,若受环境影响,接地电阻达不到要求时,可增加接地体角钢数量。
5.防落网连接件折弯处加工时应根据混凝土护栏线性进预留角度,以便现场安装。