欢迎来到安平县秉德丝网制品有限公司网站!

青海省海南藏族自治州贵南县过马营镇哇让电站2.5米高钢格栅围栏专业生产厂家
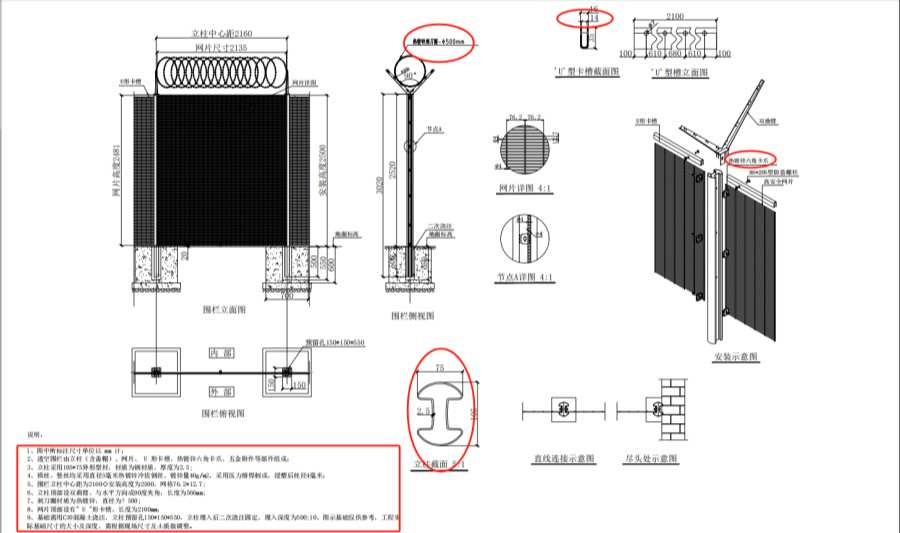
2.5m 高钢格栅围栏由立柱(含盖帽)、网片、U 形卡槽、镀锌钢六角卡爪、五金附件等部件成:立柱采用105×75 异形型材,材质为镀锌钢,厚度为2.5mm(喷涂前需保证钢材厚度不小于 2.3mm-2.4mm),横丝、竖丝采用聚酯侵塑后直径4mm(浸塑前需保证丝径不小于 3mm),颜色为绿色。热镀锌冷拔钢丝,镀锌量≥40g/㎡ ,采用压力熔焊制成。围栏立柱中心距为 2160mm,安装高度为2500mm,网格为 76.2*12.7mm,立柱顶部设双曲臂,与水平方向成90 °夹角,长度为 566mm,表面热镀锌,镀锌量>275g/㎡ ,刺刀圈材质为热镀锌钢,直径为φ500mm。U 形卡槽材质为镀锌钢 ,壁厚为1.0mm,做喷塑处理。